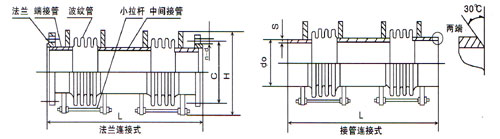
型號實例:

小拉桿補償器使用說明:
小拉桿波紋補償器除可以補償彎曲管道的橫向位移和角位移,同時也可以補償軸向位移。樣本中所列的軸向補償量及橫向補償量(X0、Y0 )均單獨用作軸向補償或橫向補償的_值,此種情況應分別滿足以下關系式:
X1≤Xo Y1≤Yo
X1、Y1為單獨用作軸向補償或橫向補償的實際值
當補償器同時存在軸向位移和橫向位移時,兩種補償量(X1,Y1)的選取應滿足下列關系式:
此時,X1,Y1為同時存在軸向位移及橫向位移的實際值。
小拉桿補償器(小拉桿波紋補償器)對支座作用力的計算:
某碳鋼管道,公稱通徑500mm,工作壓力0.6Mpa,介質溫度350攝氏度,環境_溫度-100攝氏度,小拉桿補償器安裝溫度20攝氏度,根據管道布局需安 裝一小拉桿波紋補償器,用以補償50mm的軸向位移及30mm的橫向位移,已知L=50,補償器疲勞破次數按15000次考慮,試計算支座A的受力。
